Teollisuuskaapin oven lukkoon jakelukaapin, tietoliikennekaapin, ohjausrasia ja muiden laitteiden keskeinen suojakomponentti, joka liittyy suoraan sisäisten sähkökomponenttien turvallisuuteen ja järjestelmän vakaaseen toimintaan.
Täyttääksemme monipuoliset toimitusajan ja eritelmien vaatimukset eri projekteille, yrityksellämme on aina varastossa viisi yleisesti käytettyä lukkoja --Pitkän tangon lukko, Paneelin lukitus, Tangon ohjauslukko, Kahvan lukko,Pyörivä kielilukko. Samalla tuemme mitä tahansa epästandardista, piirustusten tai näytteiden mukaan räätälöityä lukkoa, joka sopii täydellisesti kaikenlaisiin metallisiin jakelulaatikoihin.
Tasolukko on yksi yleisimmistä teollisuuskaapin oven lukkojen tyypeistä, sekä kauniita että helppohoitoisia. Yrityksemme toi markkinoille AB301-, AB302-, AB303-, AB402-, AB403-sarjan tasolukko, jonka rakenteellinen lujuus, suojausteho ja käyttötuntuma eriytetyn suunnittelun mukaisesti voivat täyttää jakelulaatikon eri vaatimukset, ohjauskaapin asennusvaatimukset.
| Mitat | Tuotenumero | |||||||
| L1 | L2 | L3 | B1 | B2 | Harmaa kromipinnoitus | Harmaa spraymaali | Musta pulverimaalattu | Paino (g) |
| 147 | 117 | 72 | 33 | 26.5 | AB301-1-1.2 | AB301-1-1.8 | AB301 | 370 |
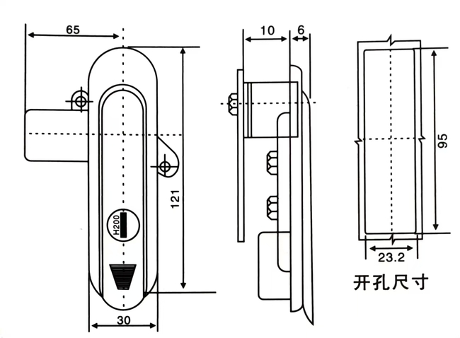
| 120.5 | 95.5 | 65 | 30 | 23.5 | AB301-2-1.2 | AB301-2-1.8 | AB302 | 290 |
| 87.5 | 62.5 | 65 | 28.5 | 23.5 | AB301-3-1.2 | AB301-3-1.8 | AB303 | 215 |
Päämateriaali: sinkkiseos.
Pintakäsittely: kirkas kromi, matta, musta.
Toiminta ja käyttö: Toteuta vasemman ja oikean oven avaus, helppokäyttöinen, tiivistys ja vesitiivis toiminto.
Päämateriaali: sinkkiseos.
Pintakäsittely: kirkas kromi, matta, musta.
Toiminta ja käyttö: Toteuta vasemman ja oikean oven avaus, helppokäyttöinen, tiivistys ja vesitiivis toiminto.
Materiaali: sinkkiseoksesta valmistettu lukon runko, pyörivä akseli, galvanoitu teräspultti, painelevy.
Pintakäsittely: hopeanharmaa nanospray.
Rakenteen kuvaus: Avaa tai lukitse kääntämällä 90 astetta.
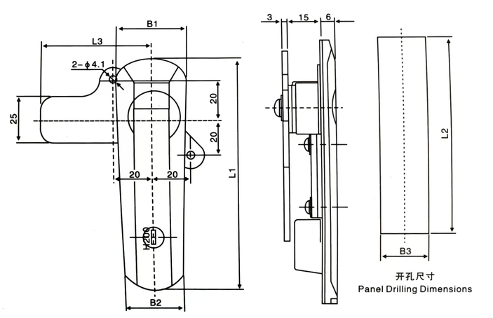
| MALLI | L1 | L2 | L3 | B1 | B2 | B3 |
| UUSI AB402-A | 123 | 95.5 | 65 | 36.5 | 30 | 23.5 |
| UUSI AB403-A | 91 | 62.5 | 65 | 33 | 28.5 | 23.5 |
| UUSI AB401-A | 151 | 117 | 72 | 36 | 30 | 26.5 |
